BQ24297RGER 供应商
-
BQ24297RGER
品牌:TI 封装/批号:VQFN24/17+ -
BQ24297RGER
品牌:TI/德州仪器 封装/批号:NA/21+ -
BQ24297RGER
品牌:TI(德州仪器) 封装/批号:VQFN-24/2022+ -
BQ24297RGER
品牌:TI 封装/批号:原厂原装/2318+
BQ24297RGER 属性参数
- 现有数量:17,634现货9,000Factory
- 价格:1 : ¥30.37000剪切带(CT)3,000 : ¥17.17179卷带(TR)
- 系列:-
- 包装:卷带(TR)剪切带(CT)? 得捷定制卷带
- 产品状态:在售
- 电池化学成份:锂离子/聚合物
- 电池数:1
- 电流 - 充电:恒流 - 可编程
- 可编程特性:-
- 故障保护:过流,超温,过压
- 充电电流 - 最大值:3A
- 电池组电压:4.2V
- 电压 -?供电(最高):6.2V
- 接口:I2C
- 工作温度:-40°C ~ 85°C(TA)
- 安装类型:表面贴装型
- 封装/外壳:24-VFQFN 裸露焊盘
- 供应商器件封装:24-VQFN(4x4)
产品特性
- 90% 高效开关模式 3A 充电器
- 具有 6.4V 过压保护功能的 3.9V 至 6.2V 单输入 USB 兼容充电器 兼容 USB 电池充电器规范 (BC1.2) 的 USB 主机或充电端口 D+/D- 检测 支持非标准 2A/1A 适配器检测 (BQ24297) 输入电压和电流限制支持 USB 2.0 和 USB 3.0 输入电流限制:100mA、150mA、500mA、900mA、1A、1.5A、2A 和 3A
- 兼容 USB 电池充电器规范 (BC1.2) 的 USB 主机或充电端口 D+/D- 检测
- 支持非标准 2A/1A 适配器检测 (BQ24297)
- 输入电压和电流限制支持 USB 2.0 和 USB 3.0
- 输入电流限制:100mA、150mA、500mA、900mA、1A、1.5A、2A 和 3A
- 具有 4.55V 至 5.5V 可调输出 (电流为 1A 或 1.5A)的 USB OTG 快速 OTG 启动(典型值为 22ms) 90% 5V 升压模式效率 精确的 ±15% 断续模式过流保护
- 快速 OTG 启动(典型值为 22ms)
- 90% 5V 升压模式效率
- 精确的 ±15% 断续模式过流保护
- 窄 VDC (NVDC) 电源路径管理 无需电池或使用深度放电的电池即可使系统瞬时启动 电池充电模式下实现理想的二极管运行
- 无需电池或使用深度放电的电池即可使系统瞬时启动
- 电池充电模式下实现理想的二极管运行
- 适用于薄型 1.2mm 电感器的 1.5MHz 开关频率
- 用于实现理想系统性能和状态报告的 I 2C 端口
- 具有或不具有主机管理的自主电池充电 电池充电使能和预调节 充电终止和再充电
- 电池充电使能和预调节
- 充电终止和再充电
- 高精度 ±0.5% 充电电压调节 ±7% 充电电流调节 ±7.5% 输入电流调节 USB OTG 升压模式下的 ±3% 输出电压调节
- ±0.5% 充电电压调节
- ±7% 充电电流调节
- ±7.5% 输入电流调节
- USB OTG 升压模式下的 ±3% 输出电压调节
- 高集成度 电源路径管理 同步开关 MOSFET 集成电流检测 自举二极管 内部环路补偿
- 电源路径管理
- 同步开关 MOSFET
- 集成电流检测
- 自举二极管
- 内部环路补偿
- 安全 在 OTG 模式下用于充电和放电的电池温度检测 电池充电安全计时器 热调节和热关断 输入和系统过压保护 MOSFET 过流保护
- 在 OTG 模式下用于充电和放电的电池温度检测
- 电池充电安全计时器
- 热调节和热关断
- 输入和系统过压保护
- MOSFET 过流保护
- 针对 LED 或主机处理器的充电状态输出
- 通过输入电压稳压实现的最大功率跟踪功能
- 20µA 低电池漏电流,并支持运输模式
- 4.00mm x 4.00mm VQFN-24 封装
- 安全相关认证: TUV IEC 62368 认证 (BQ24297)
- TUV IEC 62368 认证 (BQ24297)
产品概述
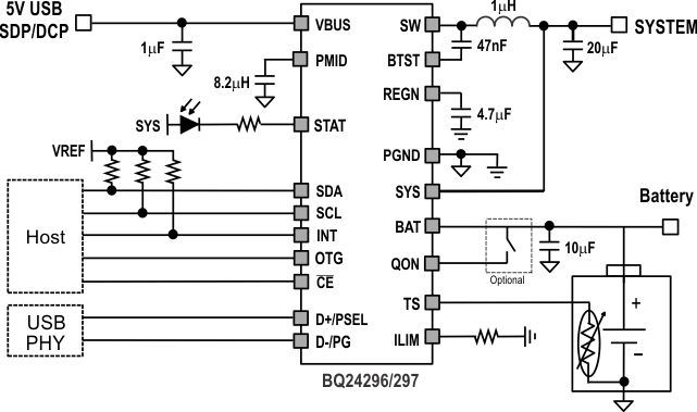
BQ24296/BQ24297 是高度集成的开关模式电池充电管理和系统电源路径管理器件,适用于各种智能手机和平板电脑应用中的 1 节锂离子和锂聚合物电池。Its low impedance power path optimizes switch-mode operation efficiency, reduces battery charge time and extends battery life during discharging phase. The I 2C serial interface with charging and system settings makes the device a truly flexible solution.The device supports 3.9-V to 6.2-V USB input sources, including standard USB host port and USB charging port with 6.4-V over-voltage protection. The device is compliant with USB 2.0 and USB 3.0 power specifications with input current and voltage regulation. To set the default input current limit, the BQ24296 takes the result from the detection circuit in the system, such as USB PHY device and the BQ24297 detects the input source through D+/D- detection following the USB battery charging spec 1.2. In addition, the BQ24297 detects non-standard 2-A/1-A adapters. The device also supports USB On-the-Go operation by providing fast startup and supplying adjustable voltage 4.55-V to 5.5-V (default 5 V) on the VBUS with an accurate current limit up to 1.5 A.The power path management regulates the system slightly above battery voltage but does not drop below 3.5-V minimum system voltage (programmable). With this feature, the system keeps operating even when the battery is completely depleted or removed. When the input source current or voltage limit is reached, the power path management automatically reduces the charge current to zero and then starts discharges the battery until the system power requirement is met. This supplement mode operation keeps the input source from getting overloaded.The device initiates and completes a charging cycle when host control is not available. It automatically charges the battery in three phases: pre-conditioning, constant current, and constant voltage. In the end, the charger automatically terminates when the charge current is below a preset limit in the constant voltage phase. Later on, when the battery voltage falls below the recharge threshold, the charger automatically starts another charging cycle.The charge device provides various safety features for battery charging and system operation, including negative thermistor monitoring, charging safety timer, and over-voltage/over-current protections. The thermal regulation reduces charge current when the junction temperature exceeds 120°C (programmable).The STAT output reports the charging status and any fault conditions. The INT immediately notifies the host when a fault occurs.The BQ24296 and BQ24297 are available in a 24-pin, 4.00 x 4.00 mm 2 thin VQFN package.
BQ24297RGER 电路图