BQ24259RGER 供应商
-
BQ24259RGER
品牌:TI 封装/批号:原厂原装/22+ -
BQ24259RGER
品牌:TI 封装/批号:VQFN-24/24+ -
BQ24259RGER
品牌:TI/德州仪器 封装/批号:VQFN24/21+ -
BQ24259RGER
品牌:TI(德州仪器) 封装/批号:VQFN-24/2022+ -
BQ24259RGER
品牌:TI 封装/批号:VQFN-24/21+ -
BQ24259RGER
品牌:TI 封装/批号:原厂原装/2318+
BQ24259RGER 属性参数
- 现有数量:2,801现货
- 价格:1 : ¥19.00000剪切带(CT)3,000 : ¥9.65913卷带(TR)
- 系列:-
- 包装:卷带(TR)剪切带(CT)? 得捷定制卷带
- 产品状态:在售
- 电池化学成份:锂离子/聚合物
- 电池数:1
- 电流 - 充电:恒流 - 可编程
- 可编程特性:-
- 故障保护:过流,超温,过压
- 充电电流 - 最大值:2A
- 电池组电压:4.2V
- 电压 -?供电(最高):6.2V
- 接口:I2C,USB
- 工作温度:-40°C ~ 85°C(TA)
- 安装类型:表面贴装型
- 封装/外壳:24-VFQFN 裸露焊盘
- 供应商器件封装:24-VQFN(4x4)
产品特性
- 90% 高效开关模式 2A 充电器
- 3.9V 至 6.2V 单输入 USB 标准充电器,提供 6.4V 过压保护输入电压和电流限制支持 USB 2.0 和 USB 3.0 输入电流限值:100mA、150mA、500mA、900mA、1A、1.5A 和 2A
- 输入电压和电流限制支持 USB 2.0 和 USB 3.0
- 输入电流限值:100mA、150mA、500mA、900mA、1A、1.5A 和 2A
- USB OTG 在电流为 1A 或 1.5A 时的可调输出电压范围为 4.55V 至 5.5V 快速 OTG 启动(典型值为 22ms) 5V 升压模式效率为 90% 精确的 ±15% 断续模式过流保护
- 快速 OTG 启动(典型值为 22ms)
- 5V 升压模式效率为 90%
- 精确的 ±15% 断续模式过流保护
- 窄范围 VDC (NVDC) 电源路径管理 在无电池或深度电池放电时的即时系统启动 电池充电模式中的理想二极管运行
- 在无电池或深度电池放电时的即时系统启动
- 电池充电模式中的理想二极管运行
- 薄型 1.2mm 电感 1.5MHz 开关频率
- I2C 端口用于实现最优系统性能和状态报告
- 具有或不具有主机管理的自主电池充电电池充电启用 电池充电预调节 充电终止和再充电
- 电池充电启用
- 电池充电预调节
- 充电终止和再充电
- 高精度±0.5% 充电电压调节 充电电流调节范围为 ±7% 输入电流调节范围为 ±7.5% USB OTG 升压模式下 ±3% 输出电压调节范围
- ±0.5% 充电电压调节
- 充电电流调节范围为 ±7%
- 输入电流调节范围为 ±7.5%
- USB OTG 升压模式下 ±3% 输出电压调节范围
- 高集成电源路径管理 同步开关 MOSFET 集成电流感测 阴极负载二极管 内部环路补偿
- 电源路径管理
- 同步开关 MOSFET
- 集成电流感测
- 阴极负载二极管
- 内部环路补偿
- 安全性针对 OTG 模式中充电和放电的电池温度感测 电池充电安全定时器 热调节和热关断 输入和系统过压保护 MOSFET 过流保护
- 针对 OTG 模式中充电和放电的电池温度感测
- 电池充电安全定时器
- 热调节和热关断
- 输入和系统过压保护
- MOSFET 过流保护
- 针对 LED 或主机处理器的充电状态输出
- 通过输入电压稳压实现的最大功率跟踪功能
- 20µA 低电池泄漏电流,支持运输模式
- 4mm x 4mm 紧凑型超薄四方扁平无引线 (VQFN)-24 封装
- 平板电脑,智能手机,网络设备
- 便携式音频扬声器
产品概述
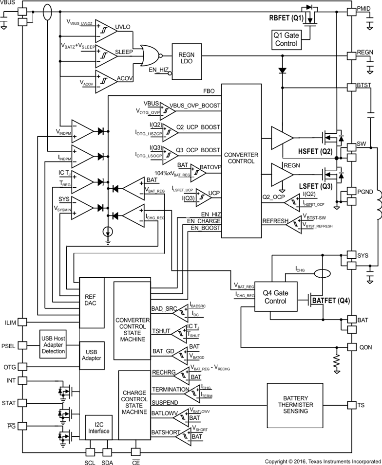
bq24259 是一款高度集成的开关模式电池充电管理和系统电源路径管理器件,适用于各种智能手机和平板电脑应用中的 单节锂离子和锂聚合物电池的续航。它的低阻抗电源路径对开关模式运行效率进行了优化、减少了电池充电时间并延长了放电阶段的电池寿命。具有充电和系统设置的 I2C 串行接口使得此器件成为一个真正地灵活解决方案。该器件支持 3.9V 至 6.2V USB 输入电源,包括具有 6.4V 过压保护功能的标准 USB 主机端口和 USB 充电端口。该器件支持 USB 2.0 和 USB 3.0 电源规范,具有输入电流和电压调节功能。为了设定默认输入电流限值,bq24259 获取系统检测电路(如 USB PHY 器件)中的结果。该器件还具有快速启动功能和高达 1.5A 的精确限流能力,能够为 VBUS 提供 4.55V 至 5.5V(默认为 5V)的可调电压,支持 USB On-the-Go 运行。电源路径管理将系统电压调节至稍高于电池电压的水平,但是不会下降至 3.5V 最小系统电压(可编程)以下。借助于这个特性,即使在电池电量完全耗尽或者电池被拆除时,系统也能保持运行。当达到输入源电流或电压限值时,电源路径管理自动将充电电流减少为零,然后开始对电池放电,直到满足系统的电源需求。这个充电模式操作可保证输入源不会过载。 此器件在主机控制不可用时开始且完成一个充电周期。它分三个阶段对电池进行自动充电:预调节、恒定电流和恒定电压。在充电周期的末尾,当充电电流低于在恒定电压阶段中预设定的限值时,充电器自动终止。之后,当电池电压下降到低于再充电阈值时,充电器将自动启动另外一个充电周期。 该充电器件针对电池充电和系统运行提供多种安全 功能, 其中包括负温度系数热敏电阻监控、充电安全定时器和过压/过流保护。当结温超过 120°C(可设定)时,热调节减少充电电流。STAT 输出报告充电状态和任何故障条件。当故障发生时,INT 立即通知主机。 bq24259 采用 24 引脚 4 x 4mm2 超薄 VQFN 封装。
BQ24259RGER 电路图