BQ24232HRGTT 供应商
-
BQ24232HRGTT
品牌:TI 封装/批号:原厂原装/22+ -
BQ24232HRGTT
品牌:TI(德州仪器) 封装/批号:VQFN-16/2022+ -
BQ24232HRGTT
品牌:TI 封装/批号:原厂原装/2318+
BQ24232HRGTT 属性参数
- 现有数量:1,953现货10,000Factory
- 价格:1 : ¥20.67000剪切带(CT)250 : ¥14.02364卷带(TR)
- 系列:-
- 包装:卷带(TR)剪切带(CT)? 得捷定制卷带
- 产品状态:在售
- 电池化学成份:锂离子
- 电池数:1
- 电流 - 充电:恒流 - 可编程
- 可编程特性:电流,定时器
- 故障保护:超温,过压,反向电流,短路
- 充电电流 - 最大值:500mA
- 电池组电压:4.35V
- 电压 -?供电(最高):10.2V
- 接口:USB
- 工作温度:-40°C ~ 125°C(TJ)
- 安装类型:表面贴装型
- 封装/外壳:16-VFQFN 裸露焊盘
- 供应商器件封装:16-VQFN(3x3)
产品特性
- 完全符合 USB 充电器标准 最大输入电流可选 100mA 和 500mA 100mA 最大电流限制可确保充电符合 USB-IF 标准 具有基于输入的动态电源管理 (VIN - DPM),防止使用不良的 USB 电源
- 最大输入电流可选 100mA 和 500mA
- 100mA 最大电流限制可确保充电符合 USB-IF 标准
- 具有基于输入的动态电源管理 (VIN - DPM),防止使用不良的 USB 电源
- 28V 额定输入电压,具有过压保护功能
- 4.35V 电池稳压
- 集成动态电源路径管理 (DPPM) 功能,可在为系统供电的同时独立为电池充电。
- 具有输出电流监控 (ISET) 功能,支持高达 500mA 的充电电流
- 针对壁式适配器的高达 500mA 的可编程输入电流限制
- 可编程终止电流 (bq24232H)
- 可编程预充电和快速充电安全定时器
- 反向电流、短路和热保护
- 负温度系数 (NTC) 热敏电阻输入
- 专有启动序列可限制浪涌电流
- 状态指示 - 正在充电/充电完成,电源正常
- 小型 3mm × 3mm 16 引脚四方扁平无引线 (QFN) 封装
产品概述
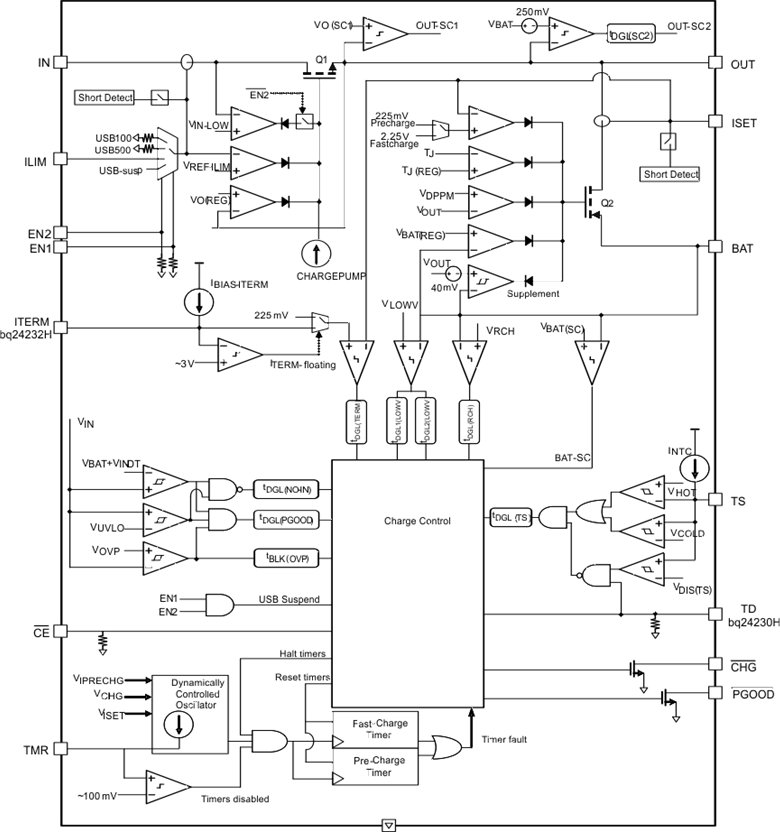
bq2423xH 系列器件是高度集成的锂离子线性充电器和系统电源路径管理器件,适用于空间受限的便携式 应用。此器件可由一个 USB 端口或交流适配器供电运行并支持 25mA 至 500mA 的充电电流。具有输入过压保护功能的高输入电压范围支持低成本、未稳压的适配器。凭借 USB 输入电流限制精度和启动序列,bq2423xH 能够满足 USB-IF 浪涌电流的技术规范要求。此外,输入动态电源管理 (VIN - DPM) 可防止充电器设计错误或 USB 电源配置错误。bq2423xH 具有 动态电源路径管理 (DPPM) 功能,可在为系统供电的同时独立为电池充电。当输入电流限制导致系统输出降至 DPPM 阈值时,DPPM 电路会减小充电电流,这样便可始终为系统负载供电,同时独立监视充电电流。此特性可减少电池充电和放电的循环次数,从而正确地终止充电,同时在系统电池组受损或缺失的情况下维持系统正常运行。此外,即使在电池完全放电后,此特性也可以确保系统瞬时开启。当适配器无法提供峰值系统电流时,电源路径管理架构还允许使用电池补充系统电流,进而支持使用更小的适配器。电池充电发生于以下三个阶段:调节、恒定电流和恒定电压。在所有的充电阶段,一个内部控制环路监测 IC 结温并且如果超过此内部温度阈值则减少充电电流。 充电器功率级和充电电流感应功能完全集成在了一起。该充电器具有高精度电流和电压调节环路、充电状态显示和充电终止功能。输入电流限制和充电电流可使用外部电阻编程设定。
BQ24232HRGTT 数据手册
BQ24232HRGTT 电路图