BQ24232HARGTT 供应商
-
BQ24232HARGTT
品牌:TI 封装/批号:原厂原装/22+ -
BQ24232HARGTT
品牌:TI(德州仪器) 封装/批号:VQFN-16/2022+ -
BQ24232HARGTT
品牌:TI 封装/批号:原厂原封装/新批号 -
BQ24232HARGTT
品牌:TI 封装/批号:原厂原装/2318+
BQ24232HARGTT 属性参数
- 现有数量:146现货
- 价格:1 : ¥22.26000剪切带(CT)250 : ¥15.56020卷带(TR)
- 系列:-
- 包装:卷带(TR)剪切带(CT)? 得捷定制卷带
- 产品状态:在售
- 电池化学成份:锂离子
- 电池数:1
- 电流 - 充电:恒流 - 可编程
- 可编程特性:电流,定时器
- 故障保护:超温,过压,反向电流,短路
- 充电电流 - 最大值:500mA
- 电池组电压:4.31V
- 电压 -?供电(最高):10.2V
- 接口:USB
- 工作温度:-5°C ~ 125°C(TJ)
- 安装类型:表面贴装型
- 封装/外壳:16-VFQFN 裸露焊盘
- 供应商器件封装:16-VQFN(3x3)
产品特性
- 完全符合 USB 充电器标准 最大输入电流可选 100mA 和 500mA 100mA 最大电流限制可确保充电符合 USB-IF 标准 具有基于输入的动态电源管理 (VIN - DPM),防止使用不良的 USB 电源
- 最大输入电流可选 100mA 和 500mA
- 100mA 最大电流限制可确保充电符合 USB-IF 标准
- 具有基于输入的动态电源管理 (VIN - DPM),防止使用不良的 USB 电源
- 28V 额定输入电压,具有过压保护功能
- 集成动态电源路径管理 (DPPM) 功能,可在为系统供电的同时独立为电池充电。
- 具有输出电流监控 (ISET) 功能,支持高达 500mA 的充电电流
- 针对壁式适配器的高达 500mA 的可编程输入电流限制
- 可编程终止电流
- 可编程预充电和快速充电安全定时器
- 反向电流、短路和热保护
- 负温度系数 (NTC) 热敏电阻输入
- 专有启动序列可限制浪涌电流
- 状态指示 - 正在充电/充电完成,电源正常
- 小型 3mm x 3mm 16 引脚四方扁平无引线 (QFN) 封装
- 器件
- 低功耗手持器件
产品概述
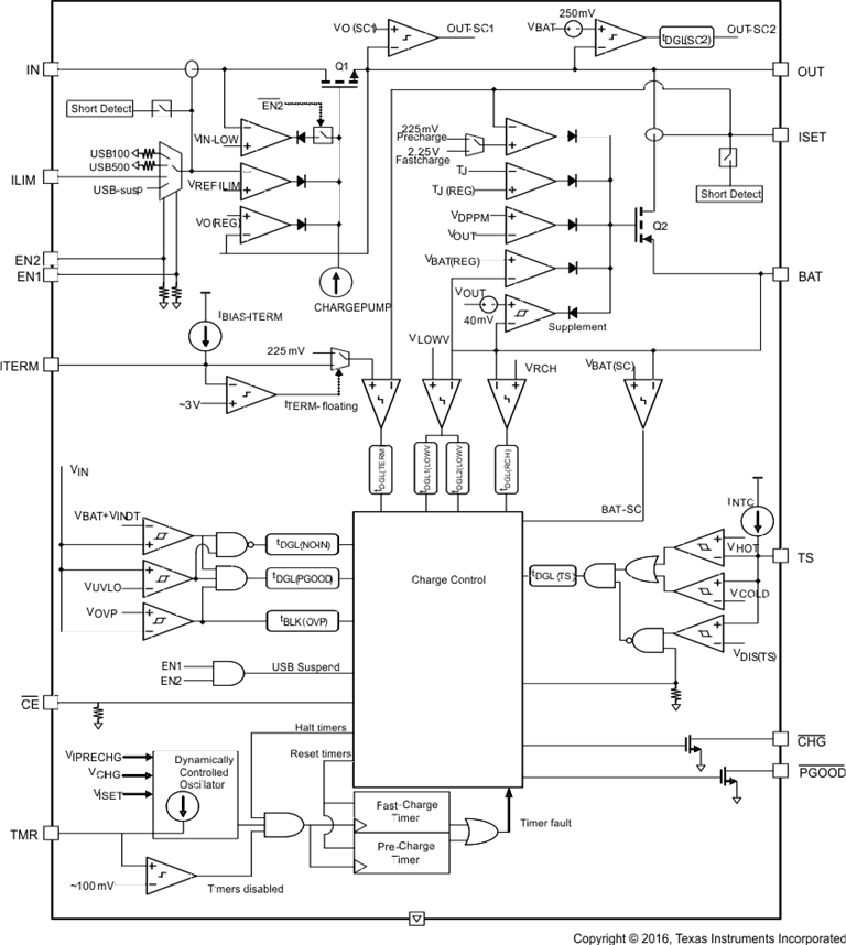
bq24232HA 器件是一款面向空间受限型便携式应用的高度集成锂离子线性充电器和系统电源路径管理 器件。该器件可由一个 USB 端口或交流适配器供电运行并支持 25mA 至 500mA 的充电电流。具有输入过压保护的高输入电压范围支持低成本、未稳压的适配器。凭借 USB 输入电流限制精度和启动序列,bq24232HA 能够满足 USB-IF 浪涌电流的技术规范要求。此外,输入动态电源管理 (VIN - DPM) 可防止充电器设计错误或 USB 电源配置错误。bq24232HA 具有 动态电源路径管理 (DPPM) 功能,可在为系统供电的同时独立为电池充电。当输入电流限制导致系统输出降至 DPPM 阈值时,DPPM 电路会减小充电电流,这样便可始终为系统负载供电,同时独立监视充电电流。此特性可减少电池充电和放电的循环次数,从而正确地终止充电,同时在系统电池组受损或缺失的情况下维持系统正常运行。此外,即使在电池完全放电后,此特性也可以确保系统瞬时开启。此电源路径管理架构还允许在适配器不能够发送峰值系统电流时补偿系统电流需求,从而使得能够使用较小的适配器。电池充电发生于以下三个阶段:调节、恒定电流和恒定电压。在所有的充电阶段,一个内部控制环路监测 IC 结温并且如果超过此内部温度阈值则减少充电电流。 充电器功率级和充电电流感应功能完全集成在了一起。该充电器具有高精度电流和电压调节环路、充电状态显示和充电终止功能。输入电流限制和充电电流可使用外部电阻编程设定。
BQ24232HARGTT 数据手册
BQ24232HARGTT 电路图