TPS75005RGWR 供应商
-
TPS75005RGWR
品牌:TI 封装/批号:原厂原装/22+ -
TPS75005RGWR
品牌:TI/德州仪器 封装/批号:VQFN20/21+ -
TPS75005RGWR
品牌:TI/德州仪器 封装/批号:VQFN20/2022+ -
TPS75005RGWR
品牌:TI 封装/批号:原厂原装/2318+
TPS75005RGWR 属性参数
- 制造商:Texas Instruments
- 产品种类:低压降 (LDO) 调节器
- 最大输入电压:6.5 V
- 负载调节:29 uV / mA
- 输出类型:Fixed
- 最大工作温度:+ 125 C
- 安装风格:SMD/SMT
- 封装 / 箱体:QFN-20
- 封装:Reel
- 工厂包装数量:3000
产品特性
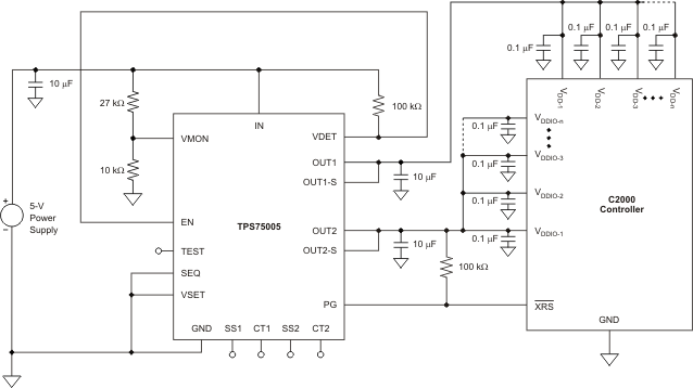
- 适合为下列 TI 生产的 C2000 MCU 系列产品供电: F2833x (DELFINO),F2823x,F281x,和 F280x/F2801x
- 具有专用电源电压监控器 (SVS) 的双 500-mA 电压稳压器
- 一个辅助 SVS
- LDO1 和 SVS1 用于 1.8 V/1.9 V 电压(可选): 电源良好 (PG) 额定值的 ±5%
- LDO2 和 SVS2 用于 3.3 V 电压: PG 额定值的 ±5%
- 输入电压范围: 3.75 V 至 6.5 V
- 用于 LDO1 和 LDO2 的独立软启动电路
- 用于 C2000 MCUs 的预置加电和断电排序
- 用两个 10-µF 陶瓷输出电容器来实现 C2000 MCU 瞬态功能
- 5-mm × 5-mm 四方扁平无引线 (QFN) 封装可支持 16-引脚散热薄型小外形尺寸封装 (HTSSOP),但有最小数量要求;详情请与销售代表联系。
产品概述
TPS75005 是一款用于德州仪器 (TI) 生产的 C2000 实时微控制器和其它 DSP,FPGA,和 ASIC MCUs 的完整电源管理解决方案。 已对此器件进行测试并且能够满足 TI 生产的 F2833x (DELFINO),F2823x,F281x,和 F280x/F2801x 的电源要求。所有这些 C2000 控制器要求 ±5% 电源导轨精度。 通过与高精度、低压差稳压器 (LDOs) 和专用 SVS 的组合使用,此器件为 C2000 提供具有一个电源良好 (PG) 信号且准确度为 ±5% 的电源。 (要获得更多细节,请见应用报告 SBVA032,。) 两个电源输出由一个集成时序电路控制。 一个单使能 (EN) 逻辑输入信号可确保满足 C2000 控制器的加电和断电要求。 此序列发生器为两个 LDOs 分别提供一个软启动以避免涌入电流。 还为通用监控提供了第三电源导轨监视器(例如,用来监视输入电压)。针对到 C2000 控制器的连接,可提供含有逐步指令的快速开始指南 (SBVA030)。TPS75005 采用 5-mm x 5-mm QFN 封装,此封装方式带来了具有高功率耗散能力的紧凑总体解决方案尺寸。
TPS75005RGWR 电路图