TPS54313PWPR 供应商
-
TPS54313PWPR
品牌:TI 封装/批号:原厂原装/22+ -
TPS54313PWPR
品牌:TI/德州仪器 封装/批号:HTSSOP20/21+ -
TPS54313PWPR
品牌:TI 封装/批号:HTSSOP/2019+ -
TPS54313PWPR
品牌:TI(德州仪器) 封装/批号:HTSSOP-20/2022+ -
TPS54313PWPR
品牌:TI 封装/批号:HTSSOP20/23+
TPS54313PWPR 属性参数
- 产品培训模块:Understanding SWIFT Step Down Dc/Dc Converters
- 标准包装:2,000
- 类别:集成电路 (IC)
- 家庭:PMIC - 稳压器 - DC DC 开关稳压器
- 系列:SWIFT™
- 类型:降压(降压)
- 输出类型:固定
- 输出数:1
- 输出电压:1.5V
- 输入电压:3 V ~ 6 V
- PWM 型:-
- 频率 - 开关:350kHz,550kHz
- 电流 - 输出:3A
- 同步整流器:是
- 工作温度:-40°C ~ 85°C
- 安装类型:表面贴装
- 封装/外壳:20-TSSOP(0.173",4.40mm 宽)裸露焊盘
- 包装:带卷 (TR)
- 供应商设备封装:20-HTSSOP
产品特性
- 60-mΩ, MOSFET Switches for High Efficiency at 3-A Continuous Output Source and Sink Current
- 0.9-V, 1.2-V, 1.5-V, 1.8-V, 2.5-V, and 3.3-V Fixed Output Voltage Devices With 1.0% Initial Accuracy
- Internally Compensated for Low Parts Count
- Fast Transient Response
- Wide PWM Frequency Fixed 350 kHz, 550 kHz or Adjustable 280 kHz to 700 kHz
- Load Protected by Peak Current Limit and Thermal Shutdown
- Integrated Solution Reduces Board Area and Total Cost
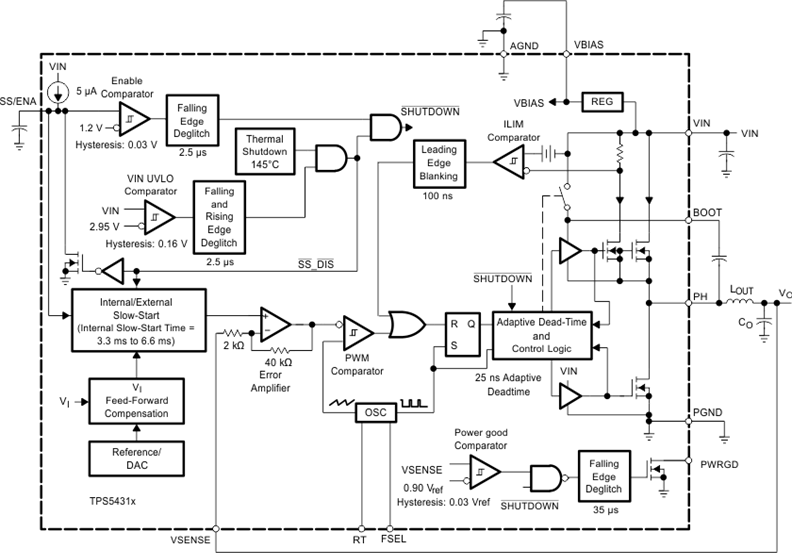
产品概述
As members of the SWIFT™ family of DC - DC regulators,
the TPS54311, TPS54312, TPS54313, TPS54314, TPS54315 and TPS54316 low-input-voltage
high-outputcurrent synchronous-buck PWM converters integrate all required active components.
Included on the substrate with the listed features are a true, high performance, voltage error
amplifier that provides high performance under transient conditions; an undervoltage-lockout
circuit to prevent start-up until the input voltage reaches 3 V; an internally and externally set
slow-start circuit to limit in-rush currents; and a powergood output useful for processor/logic
reset, fault signaling, and supply sequencing.The TPS54311, TPS54312, TPS54313, TPS54314, TPS54315 and TPS54316 devices are available
in a thermally enhanced 20-pin HTSSOP (PWP) PowerPAD™ package,
which eliminates bulky heatsinks. TI provides evaluation modules and the SWIFT designer software
tool to aid in quickly achieving high-performance power supply designs to meet aggressive equipment
development cycles.
TPS54313PWPR 电路图