TPS40422RHAR 供应商
-
TPS40422RHAR
品牌:TI 封装/批号:VQFN40/22+ -
TPS40422RHAR
品牌:TI 封装/批号:VQFN/21+ -
TPS40422RHAR
品牌: 封装/批号:TSSOP/23+
TPS40422RHAR 属性参数
- 标准包装:2,500
- 类别:集成电路 (IC)
- 家庭:PMIC - 稳压器 - DC DC 切换控制器
- 系列:-
- PWM 型:电压模式
- 输出数:2
- 频率 - 最大:1MHz
- 占空比:90%
- 电源电压:4.5 V ~ 20 V
- 降压:是
- 升压:无
- 回扫:无
- 反相:无
- 倍增器:无
- 除法器:无
- Cuk:无
- 隔离:无
- 工作温度:-40°C ~ 125°C
- 封装/外壳:40-VFQFN 裸露焊盘
- 包装:带卷 (TR)
产品特性
- 单电源运算:4.5 V 至 20 V
- 输出电压范围为 0.6V 至 5.6V
- 双输出或双相同步降压控制器
- PMBus™ 接口能力 以 2mV 为步长的电压上升/下降 可编程故障限制和响应 输出电压,输出电流监控 外部温度监视(使用 2N3904 晶体管时) 可编程欠压闭锁 (UVLO) 开/关阈值 可编程软启动时间和接通与关断延迟
- 以 2mV 为步长的电压上升/下降
- 可编程故障限制和响应
- 输出电压,输出电流监控
- 外部温度监视(使用 2N3904 晶体管时)
- 可编程欠压闭锁 (UVLO) 开/关阈值
- 可编程软启动时间和接通与关断延迟
- 片载非易失性存储器(NVM)用于存储定制配置
- 180°相移以减少输入纹波
- 0°C 到 85°C 温度范围内的基准电压为 600mV,精度为 ±0 .5%
- 电感器 DCR 电流感测
- 可编程开关频率:200 kHz 至 1 MHz
- 具有输入前反馈的电压模式控制
- 多相位运行的电流共享
- 支持预偏置输出
- 差分远程感应
- 外部SYNC
- BPEXT 引脚通过支持外部偏置电源切换来提高效率
- OC、OV、UV 和 OT 故障保护
- 40 引脚、 6mm × 6mm、0.5mm 间距 VQFN 封装
- 40 引脚、 5mm × 5mm、0.4mm 间距 WQFN 封装
- 使用 TPS40422 器件并借助 WEBENCH® Power Designer 创建定制设计方案
产品概述
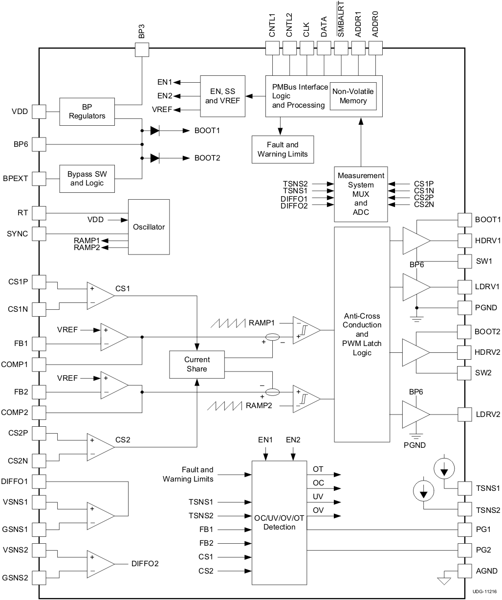
TPS40422 是一款双输出 PMBus 协议同步降压控制器。它也可配置为单一的双向输出。其宽输入范围支持 5V 和 12V 中间总线。准确的基准电压满足了最新 ASIC 的精度电压的需要并且有可能减少了输出电容。电压模式控制降低噪声敏感度并保证低占空比转换。
TPS40422RHAR 电路图