IC元器件

TL7709ACP

参考价格:$0.6251-$1.65

Texas Instruments PMIC - 监控器

TL7709ACP 供应商

TL7709ACP 属性参数

  • 标准包装:50
  • 类别:集成电路 (IC)
  • 家庭:PMIC - 监控器
  • 系列:-
  • 类型:简单复位/加电复位
  • 监视电压数目:1
  • 输出:补充型
  • 复位:高有效/低有效
  • 复位超时:最大传输延迟为 1µs
  • 电压 - 阀值:7.6V
  • 工作温度:0°C ~ 70°C
  • 安装类型:通孔
  • 封装/外壳:8-DIP(0.300",7.62mm)
  • 供应商设备封装:8-PDIP
  • 包装:管件
  • 其它名称:296-3248-5

产品特性

  • Power-On Reset Generator
  • Automatic Reset Generation After Voltage Drop
  • Wide Supply-Voltage Range
  • Precision Voltage Sensor
  • Temperature-Compensated Voltage Reference
  • Externally Adjustable Pulse Duration

产品概述

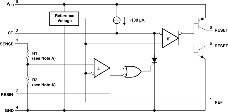
The TL77xxA family of integrated-circuit supply-voltage supervisors is designed specifically for use as reset controllers in microcomputer and microprocessor systems. The supply-voltage supervisor monitors the supply for undervoltage conditions at the SENSE input. During power up, the RESET output becomes active (low) when VCC attains a value approaching 3.6 V. At this point (assuming that SENSE is above VIT+), the delay timer function activates a time delay, after which outputs RESET and RESET go inactive (high and low, respectively). When an undervoltage condition occurs during normal operation, RESET and RESET go active.

TL7709ACP 数据手册

TL7709ACP 电路图