LMH1251MT/NOPB 供应商
-
LMH1251MT/NOPB
品牌:TI 封装/批号:原厂原装/22+ -
LMH1251MT/NOPB
品牌:TI(德州仪器) 封装/批号:TSSOP-24/2022+
LMH1251MT/NOPB 属性参数
- 制造商:National Semiconductor (TI)
- 封装:Tube
- 工厂包装数量:61
产品特性
- YPBPR to RGBHV Conversion
- YPBPR Path: 70 MHz, −3 dB, 700 mVPP Bandwidth
- RGB Path: 400 MHz, −3 dB, 700 mVPP Bandwidth
- Supports PC Video Display Resolutions up to UXGA (1600 x 1200 @ 75 Hz)
- Supports 480i, 480p, 576i, 576p, 720p, 1080i, and 1080p
- Smart Video Format Detection for SD and HD
- Power Save Mode
产品概述
The LMH1251 is a wideband 2:1 analog video switch with an integrated
YPBPR to RGBHV converter. The device accepts one set
of YPBPR inputs and one set of RGB/HSYNC/VSYNC
inputs. Based on the input selected, the output will be either a decoded TV or buffered PC video
signal.The LMH1251 has a SYNC separator and processor that is capable of extracting sync timing
information from both Standard Definition Television (SDTV) and High Definition Television (HDTV)
inputs. It provides bi-level sync, and tri-level sync separation.The color space conversion from YPBPR to
RGB in the LMH1251 is realized with a very high precision fully analog dematrixer which provides
superior chroma accuracy that is less than 2.5% of amplitude and 1.5° of phase error on a
vectorscope. It is equipped with a smart video detection circuit which automatically senses SDTV
and HDTV video formats and applies the appropriate color space conversion.The LMH1251 is capable of handling SDTV, HDTV, XGA, SXGA, and UXGA video formats, which
makes it an ideal solution for enhancing value in applications ranging from LCD monitors, to
set-top boxes, to projectors. The LMH1251 is part of the LMH high speed amplifier family, and is offered in a 24-pin TSSOP
package.
LMH1251MT/NOPB 数据手册
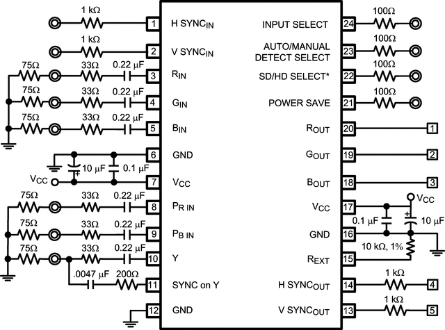
LMH1251MT/NOPB 电路图