CD54HC240F3A 供应商
-
CD54HC240F3A
品牌:Harris 封装/批号:CDIP20/21+ -
CD54HC240F3A
品牌:TI 封装/批号:/8 -
CD54HC240F3A
品牌:TI 封装/批号:/2019+ -
CD54HC240F3A
品牌:TI 封装/批号:标准封装/23+ -
CD54HC240F3A
品牌:TI 封装/批号:CDIP/23+ -
CD54HC240F3A
品牌:TI 封装/批号:DIP/0848
CD54HC240F3A 属性参数
- 现有数量:0现货10,001Factory
- 价格:在售
- 系列:54HC
- 包装:管件
- 产品状态:在售
- 逻辑类型:缓冲器,反向
- 元件数:2
- 每个元件位数:4
- 输入类型:-
- 输出类型:三态
- 电流 - 输出高、低:7.8mA,7.8mA
- 电压 - 供电:2V ~ 6V
- 工作温度:-55°C ~ 125°C(TA)
- 安装类型:通孔
- 封装/外壳:20-CDIP(0.300",7.62mm)
- 供应商器件封装:20-CDIP
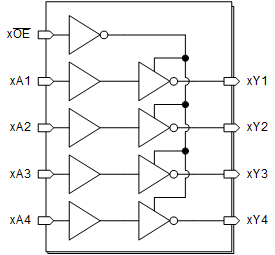
CD54HC240F3A 电路图