CD4053BM96E4 供应商
-
CD4053BM96E4
品牌:TI 封装/批号:原厂原装/22+ -
CD4053BM96E4
品牌:TI(德州仪器) 封装/批号:SOIC-16/2022+
CD4053BM96E4 属性参数
- 标准包装:2,500
- 类别:集成电路 (IC)
- 家庭:接口 - 模拟开关,多路复用器,多路分解器
- 系列:4000B
- 功能:多路复用器/多路分解器
- 电路:3 x 2:1
- 导通状态电阻:240 欧姆
- 电压电源:单/双电源
- 电压 - 电源,单路/双路(±):3 V ~ 20 V,±2.5 V ~ 9 V
- 电流 - 电源:-
- 工作温度:-55°C ~ 125°C
- 安装类型:表面贴装
- 封装/外壳:16-SOIC(0.154",3.90mm 宽)
- 供应商设备封装:16-SOIC N
- 包装:带卷 (TR)
产品特性
- 各种数字和模拟信号电平: 数字:3 V 至 20 V 模拟:≤ 20V P-P
- 数字:3 V 至 20 V
- 模拟:≤ 20V P-P
- 在 V DD – V EE = 18V 时的 15V P-P 信号输入范围内,具有 125Ω(典型值)的低导通电阻
- 在 V DD – V EE = 18V 时,通道漏电流为 ±100pA(典型值),具有高关断电阻
- 适用于 3V 至 20V 数字寻址信号(V DD – V SS = 3V 至 20V)的逻辑电平转换功能,可将模拟信号切换至与 20V P-P (V DD – V EE = 20V) 相匹配的开关特性,V DD – V EE = 15V 时,r ON = 5Ω(典型值),在所有数字控制输入和电源条件下,具有极低的静态功率损耗,在 V DD – V SS = V DD – V EE = 10V 时,功率损耗为 0.2µW(典型值)
- 二进制地址片上解码
- 5V、10V 和 15V 参数额定值
- 针对 20V 下的静态电流进行了 100% 测试
- 在全封装温度范围内,18V 时的最大输入电流为 1µA,18V 和 25°C 时为 100nA
- 先断后合开关消除了通道重叠
产品概述
CD405xB 模拟多路复用器和多路信号分离器是数字控制的模拟开关,具有低接通阻抗和极低的关断漏电流。这些多路复用器电路在整个 V DD – V SS 和 V DD – V EE 电源电压范围内,消耗的静态功率极低,而不受控制信号的逻辑状态影响。
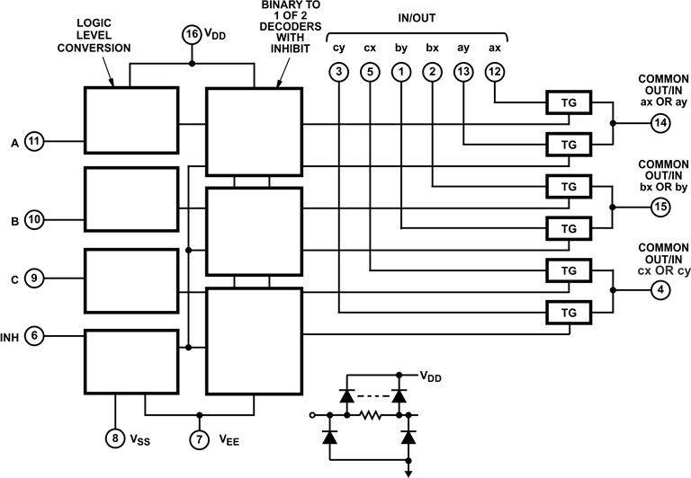
CD4053BM96E4 电路图