IC元器件

CD4053BF 供应商

CD4053BF 属性参数

  • 现有数量:0现货8,677Factory
  • 价格:在售
  • 系列:-
  • 包装:管件
  • 产品状态:在售
  • 开关电路:SP4T - NC
  • 多路复用器/解复用器电路:2:1
  • 电路数:3
  • 导通电阻(最大值):240 欧姆
  • 通道至通道匹配 (ΔRon):5 欧姆
  • 电压 -?电源,单 (V+):3V ~ 20V
  • 电压 - 供电,双?(V±):-
  • 开关时间?(Ton, Toff)(最大值):-
  • -3db 带宽:30MHz
  • 电荷注入:-
  • 沟道电容 (CS(off),CD(off)):-
  • 电流 - 漏泄 (IS(off))(最大值):100nA
  • 串扰:-40dB @ 6MHz
  • 工作温度:-55°C ~ 125°C(TA)
  • 安装类型:通孔
  • 封装/外壳:16-CDIP(0.300",7.62mm)
  • 供应商器件封装:16-CDIP

产品特性

  • 各种数字和模拟信号电平: 数字:3 V 至 20 V 模拟:≤ 20V P-P
  • 数字:3 V 至 20 V
  • 模拟:≤ 20V P-P
  • 在 V DD – V EE = 18V 时的 15V P-P 信号输入范围内,具有 125Ω(典型值)的低导通电阻
  • 在 V DD – V EE = 18V 时,通道漏电流为 ±100pA(典型值),具有高关断电阻
  • 适用于 3V 至 20V 数字寻址信号(V DD – V SS = 3V 至 20V)的逻辑电平转换功能,可将模拟信号切换至与 20V P-P (V DD – V EE = 20V) 相匹配的开关特性,V DD – V EE = 15V 时,r ON = 5Ω(典型值),在所有数字控制输入和电源条件下,具有极低的静态功率损耗,在 V DD – V SS = V DD – V EE = 10V 时,功率损耗为 0.2µW(典型值)
  • 二进制地址片上解码
  • 5V、10V 和 15V 参数额定值
  • 针对 20V 下的静态电流进行了 100% 测试
  • 在全封装温度范围内,18V 时的最大输入电流为 1µA,18V 和 25°C 时为 100nA
  • 先断后合开关消除了通道重叠

产品概述

CD405xB 模拟多路复用器和多路信号分离器是数字控制的模拟开关,具有低接通阻抗和极低的关断漏电流。这些多路复用器电路在整个 V DD – V SS 和 V DD – V EE 电源电压范围内,消耗的静态功率极低,而不受控制信号的逻辑状态影响。

CD4053BF 数据手册

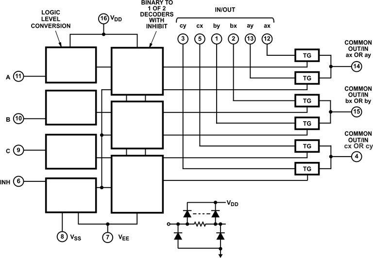
CD4053BF 电路图