CD4051BF3A 供应商
-
CD4051BF3A
品牌:TI 封装/批号:/8 -
CD4051BF3A
品牌: 封装/批号:DIP/2019+ -
CD4051BF3A
品牌:TI厂商 封装/批号:模块/23+ -
CD4051BF3A
品牌:TI 封装/批号:DIP/23+ -
CD4051BF3A
品牌:TI H 封装/批号:DIP/
CD4051BF3A 属性参数
- 现有数量:0现货10,001Factory
- 价格:在售
- 系列:-
- 包装:管件
- 产品状态:在售
- 开关电路:-
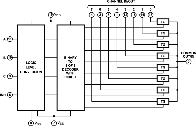
- 多路复用器/解复用器电路:8:1
- 电路数:1
- 导通电阻(最大值):240 欧姆
- 通道至通道匹配 (ΔRon):5 欧姆
- 电压 -?电源,单 (V+):3V ~ 20V
- 电压 - 供电,双?(V±):-
- 开关时间?(Ton, Toff)(最大值):-
- -3db 带宽:20MHz
- 电荷注入:-
- 沟道电容 (CS(off),CD(off)):0.2pF,30pF
- 电流 - 漏泄 (IS(off))(最大值):100nA
- 串扰:-40dB @ 3MHz
- 工作温度:-55°C ~ 125°C(TA)
- 安装类型:通孔
- 封装/外壳:16-CDIP(0.300",7.62mm)
- 供应商器件封装:16-CDIP
产品特性
- 各种数字和模拟信号电平: 数字:3 V 至 20 V 模拟:≤ 20V P-P
- 数字:3 V 至 20 V
- 模拟:≤ 20V P-P
- 在 V DD – V EE = 18V 时的 15V P-P 信号输入范围内,具有 125Ω(典型值)的低导通电阻
- 在 V DD – V EE = 18V 时,通道漏电流为 ±100pA(典型值),具有高关断电阻
- 适用于 3V 至 20V 数字寻址信号(V DD – V SS = 3V 至 20V)的逻辑电平转换功能,可将模拟信号切换至与 20V P-P (V DD – V EE = 20V) 相匹配的开关特性,V DD – V EE = 15V 时,r ON = 5Ω(典型值),在所有数字控制输入和电源条件下,具有极低的静态功率损耗,在 V DD – V SS = V DD – V EE = 10V 时,功率损耗为 0.2µW(典型值)
- 二进制地址片上解码
- 5V、10V 和 15V 参数额定值
- 针对 20V 下的静态电流进行了 100% 测试
- 在全封装温度范围内,18V 时的最大输入电流为 1µA,18V 和 25°C 时为 100nA
- 先断后合开关消除了通道重叠
产品概述
CD405xB 模拟多路复用器和多路信号分离器是数字控制的模拟开关,具有低接通阻抗和极低的关断漏电流。这些多路复用器电路在整个 V DD – V SS 和 V DD – V EE 电源电压范围内,消耗的静态功率极低,而不受控制信号的逻辑状态影响。
CD4051BF3A 数据手册
CD4051BF3A 电路图