IC元器件

BQ24735RGRT

参考价格:$4.966-$6.71

Texas Instruments PMIC - 电池管理

BQ24735RGRT 供应商

BQ24735RGRT 属性参数

  • 标准包装:1
  • 类别:集成电路 (IC)
  • 家庭:PMIC - 电池管理
  • 系列:-
  • 功能:充电管理
  • 电池化学:锂离子(锂离子),多化学
  • 电源电压:4.5 V ~ 24 V
  • 工作温度:-40°C ~ 85°C
  • 安装类型:表面贴装
  • 封装/外壳:20-VFQFN 裸露焊盘
  • 供应商设备封装:20-VQFN-EP(3.5x3.5)
  • 包装:®
  • 其它名称:296-29535-6

产品特性

  • 适配器和电池一起向系统供电以支持 Intel CPU 智能加速模式
  • SMBus 主机控制的 NMOS-NMOS 同步降压转换器具有可编程的 615kHz, 750kHz, 和 885kHz 的交换频率
  • 自动N-通道MOSFET选择来自适配器或者由内部充电泵驱动的电池的系统电源
  • 用于过载电压保护、过流保护、电池、感应器和MOSFET短路保护的增强型安全特性
  • 可编程输入电流, 充电电压, 充电电流限制 ±0.5% 充电电压精度高达 19.2V ±3% 充电电流精度高达 8.128A ±3% 输入电流精度高达 8.064A ±2% 20x 适配器电流或者充电电流放大器输出精度
  • ±0.5% 充电电压精度高达 19.2V
  • ±3% 充电电流精度高达 8.128A
  • ±3% 输入电流精度高达 8.064A
  • ±2% 20x 适配器电流或者充电电流放大器输出精度
  • 可编程电池耗尽阀值,和电池学习功能
  • 可编程适配器检测和指示器
  • 集成软启动
  • 集成环路补偿
  • 在ILIM引脚上的实时系统控制以限制放电电流
  • AC 适配器工作范围 4.5V 至 24V
  • 5 µA 关闭状态电池放电电流
  • 0.65 mA (最大值 0.8mA ) 适配器待机静态电流
  • 20-引脚 3.5 x 3.5 mm2 QFN 封装

产品概述

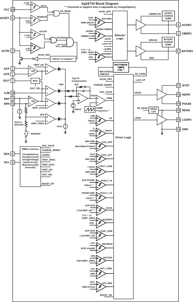
bq24735 是一款高效率同步电池充电器, 为有空间限制要求的, 多种化学类型的电池充电应用提供低零件数量。当系统供电需求暂时高于适配器最大供电水平的时候, bq24735 使用智能加速技术来允许电池向系统中释放能量,这样的话将保护适配器不被损坏。bq24735 为满足自动系统电源选择的需要,使用 2 个充电泵来分别驱动 n-通道 MOSFET (ACFET, RBFET 和 BATFET) 。 SMBus 控制的输入电流, 充电电流, 和充电电压DAC允许非常高的调节精度,此调节精度可通过系统功率管理微控制器很容易地进行编程。 bq24735 使用内部输入电流寄存器或者外部ILIM引脚来减缓PWM调制速度以减小充电电流。 bq24735 为1,2,3或者4系 Li+ 电池充电, 采用 20-引脚, 3.5x3.5 mm2 QFN 封装方式。

BQ24735RGRT 数据手册

BQ24735RGRT 电路图