IC元器件

BQ24381DSGR

参考价格:$0.3875-$0.9

Texas Instruments PMIC - 电池管理

BQ24381DSGR 供应商

BQ24381DSGR 属性参数

  • 标准包装:1
  • 类别:集成电路 (IC)
  • 家庭:PMIC - 电池管理
  • 系列:-
  • 功能:过压/欠压保护
  • 电池化学:锂离子(Li-Ion)
  • 电源电压:3.3 V ~ 30 V
  • 工作温度:-40°C ~ 125°C
  • 安装类型:表面贴装
  • 封装/外壳:8-WFDFN 裸露焊盘
  • 供应商设备封装:8-WSON 裸露焊盘(2x2)
  • 包装:®
  • 其它名称:296-23444-6

产品特性

  • Input Overvoltage Protection
  • Accurate Battery Overvoltage Protection
  • Output Short-Circuit Protection
  • Soft-Start to Prevent Inrush Currents
  • Soft-Stop to Prevent Voltage Spikes
  • Maximum Input Voltage of 30 V
  • Supports up to 1.7-A Load Current
  • Thermal Shutdown
  • Enable Function
  • Fault Status Indication
  • Small 2 mm × 2 mm 8-Pin WSON Package

产品概述

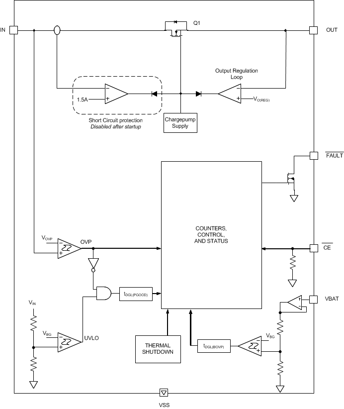
The bq2438x family of devices are charger front-end integrated circuits (ICs) designed to provide protection to Li-ion batteries from failures of the charging circuit. The device continuously monitors the input voltage and battery voltage. The device operates like a linear regulator, maintaining a 5.5-V (bq24380) or 5-V (bq24381, bq24382) output with input voltages up to the Input overvoltage threshold. During input overvoltage conditions, the device immediately turns off the internal pass FET disconnecting the charging circuit from the damaging input source. Additionally, if the battery voltage rises to unsafe levels while charging, power is removed from the system. The device checks for short-circuit or overload conditions at its output when turning the pass FET on, and if it finds unsafe conditions, it switches off and then rechecks the conditions. Additionally, the device also monitors its die temperature and switches off if it exceeds 140°C.When the device is controlled by a processor, the device provides status information about fault conditions to the host.

BQ24381DSGR 电路图