BQ24380DSGR 供应商
-
BQ24380DSGR
品牌:TI 封装/批号:原厂原装/22+ -
BQ24380DSGR
品牌:TI/德州仪器 封装/批号:WSON8/21+ -
BQ24380DSGR
品牌:TI(德州仪器) 封装/批号:WSON-8/2022+ -
BQ24380DSGR
品牌:TI 封装/批号:QFN8/23+
BQ24380DSGR 属性参数
- 标准包装:1
- 类别:集成电路 (IC)
- 家庭:PMIC - 电池管理
- 系列:-
- 功能:过压/欠压保护
- 电池化学:锂离子(Li-Ion)
- 电源电压:3.3 V ~ 30 V
- 工作温度:-40°C ~ 125°C
- 安装类型:表面贴装
- 封装/外壳:8-WFDFN 裸露焊盘
- 供应商设备封装:8-WSON 裸露焊盘(2x2)
- 包装:®
- 配用:296-30771-ND - EVAL MODULE FOR BQ24380EVM
- 其它名称:296-23385-6
产品特性
- Input Overvoltage Protection
- Accurate Battery Overvoltage Protection
- Output Short-Circuit Protection
- Soft-Start to Prevent Inrush Currents
- Soft-Stop to Prevent Voltage Spikes
- Maximum Input Voltage of 30 V
- Supports up to 1.7-A Load Current
- Thermal Shutdown
- Enable Function
- Fault Status Indication
- Small 2 mm × 2 mm 8-Pin WSON Package
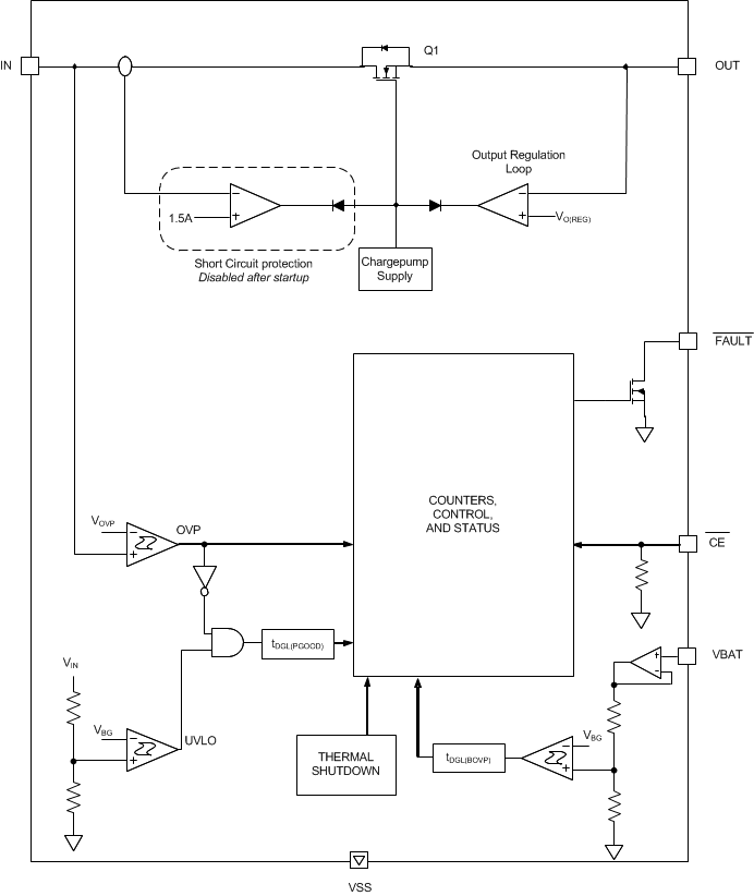
产品概述
The bq2438x family of devices are charger front-end integrated circuits (ICs) designed to
provide protection to Li-ion batteries from failures of the charging circuit. The device
continuously monitors the input voltage and battery voltage. The device operates like a linear
regulator, maintaining a 5.5-V (bq24380) or 5-V (bq24381, bq24382) output with input voltages up to
the Input overvoltage threshold. During input overvoltage conditions, the device immediately turns
off the internal pass FET disconnecting the charging circuit from the damaging input source.
Additionally, if the battery voltage rises to unsafe levels while charging, power is removed from
the system. The device checks for short-circuit or overload conditions at its output when turning
the pass FET on, and if it finds unsafe conditions, it switches off and then rechecks the
conditions. Additionally, the device also monitors its die temperature and switches off if it
exceeds 140°C.When the device is controlled by a processor, the device provides status information
about fault conditions to the host.
BQ24380DSGR 电路图