IC元器件

BQ24308DSGR

参考价格:$0.42

Texas Instruments PMIC - 电池管理

BQ24308DSGR 供应商

BQ24308DSGR 属性参数

  • 标准包装:3,000
  • 类别:集成电路 (IC)
  • 家庭:PMIC - 电池管理
  • 系列:-
  • 功能:过压/欠压保护
  • 电池化学:锂离子(Li-Ion)
  • 电源电压:3.3 V ~ 26 V
  • 工作温度:-40°C ~ 125°C
  • 安装类型:表面贴装
  • 封装/外壳:8-WFDFN 裸露焊盘
  • 供应商设备封装:8-WSON 裸露焊盘(2x2)
  • 包装:带卷 (TR)

产品特性

  • Provides Protection for Three Variables: Input Overvoltage Input Overcurrent with Current Limiting Battery Overvoltage
  • Input Overvoltage
  • Input Overcurrent with Current Limiting
  • Battery Overvoltage
  • Maximum Input Voltage of 30 V
  • Supports Up to 1.5-A Input Current
  • Robust Against False Triggering Due to Current Transients
  • Thermal Shutdown
  • LDO Mode Voltage Regulation of 5 V
  • Available in Space-Saving Small 2 mm × 2 mm 8- Pin WSON Package
  • APPLICATIONS Mobile and Smart Phones PDAs MP3 Players Low-Power Handheld Devices Bluetooth™ Headsets
  • Mobile and Smart Phones
  • PDAs
  • MP3 Players
  • Low-Power Handheld Devices
  • Bluetooth™ Headsets

产品概述

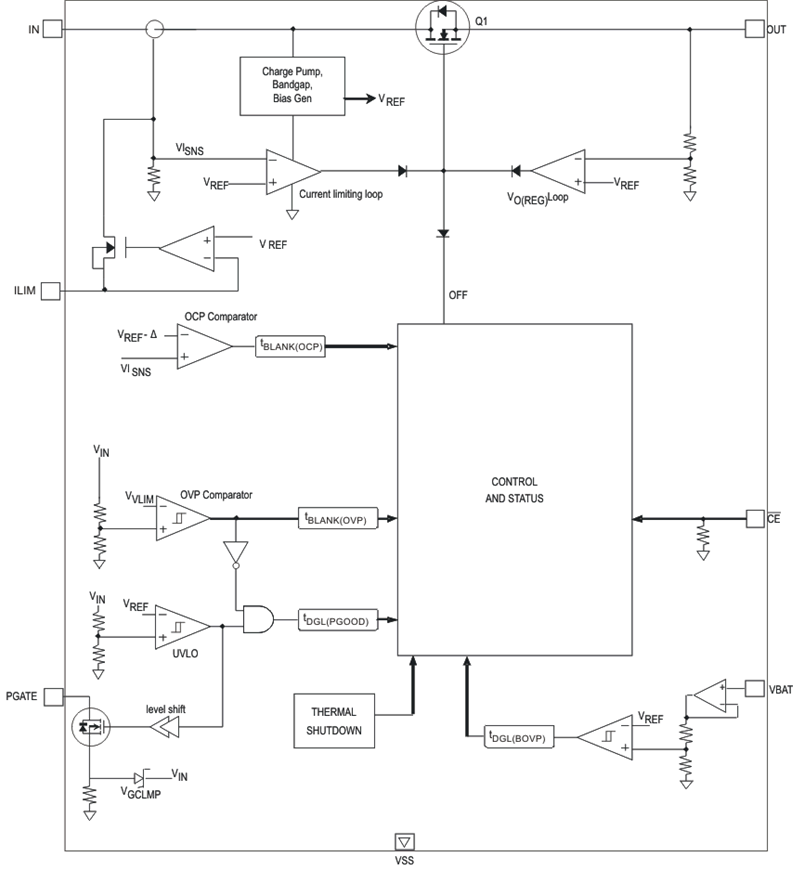
The bq24308 device is a highly integrated circuit (IC) designed to provide protection to Li-ion batteries from failures of the charging circuit. The device continuously monitors the input voltage, the input current, and the battery voltage. In case of an input overvoltage condition, the device immediately removes power from the charging circuit by turning off an internal switch. In the case of an overcurrent condition, it limits the system current to a safe value for a blanking duration before turning the switch off. Battery voltage may also be monitored and if the battery voltage exceeds the specified value the internal switch is turned off. Additionally, the device also monitors its own die temperature and switches off if it becomes too hot.The input overcurrent threshold can be increased using an external resistor. The device also offers optional protection against reverse voltage at the input using an external P-channel FET.

BQ24308DSGR 电路图