BQ24120RHLT 供应商
-
BQ24120RHLT
品牌:TI 封装/批号:原厂原装/22+ -
BQ24120RHLT
品牌:TI ? 封装/批号:SMD/5 -
BQ24120RHLT
品牌:TI/德州仪器 封装/批号:QFN20/06+ -
BQ24120RHLT
品牌:TI 封装/批号:原厂原装/2318+
BQ24120RHLT 属性参数
- 标准包装:1
- 类别:集成电路 (IC)
- 家庭:PMIC - 电池管理
- 系列:bqSWITCHER™
- 功能:充电管理
- 电池化学:锂离子(Li-Ion)、锂聚合物(Li-Pol)
- 电源电压:4.35 V ~ 16 V
- 工作温度:-40°C ~ 85°C
- 安装类型:表面贴装
- 封装/外壳:20-VFQFN 裸露焊盘
- 供应商设备封装:20-QFN-EP(4.50x3.50)
- 包装:®
- 配用:296-19719-ND - EVALUATION MODULE FOR BQ24120
- 其它名称:296-19572-6
产品特性
- Enhanced EMI Performance
- Integrated Power FETs For Up To 2-A Charge Rate
- Suitable For 1-, 2-, or 3-Cell Li-Ion and Li-Polymer Battery Packs
- Synchronous Fixed-Frequency PWM Controller Operating at 1.1 MHz With 0% to 100% Duty Cycle
- High-Accuracy Voltage and Current Regulation
- Status Outputs For LED or Host Processor Interface Indicates Charge-In-Progress, Charge Completion, Fault, and AC-Adapter Present Conditions
- 20-V Absolute Maximum Voltage Rating on IN and OUT Pins
- Accurate High-Side Battery Current Sensing
- Battery Temperature Monitoring
- Automatic Sleep Mode for Low Power Consumption
- Reverse Leakage Protection Prevents Battery Drainage
- Thermal Shutdown and Protection
- Built-In Battery Detection
- Available in 20-pin 3.5-mm × 4.5-mm VQFN Package
产品概述
The bqSWITCHER™ series are highly integrated Li-ion and
Li-polymer switched-mode charge management devices targeted at a wide range of portable
applications. The bqSWITCHER™ series offers integrated synchronous PWM controller and power FETs,
high-accuracy current and voltage regulation, charge preconditioning, charge status, and charge
termination, in a small, thermally enhanced QFN package.The bqSWITCHER charges the battery in three phases: conditioning, constant current, and
constant voltage. Charge is terminated based on user-selectable minimum current level. A
programmable charge timer provides a safety backup for charge termination. The bqSWITCHER
automatically restarts the charge cycle if the battery voltage falls below an internal threshold.
The bqSWITCHER automatically enters sleep mode when VCC supply is
removed.
BQ24120RHLT 数据手册
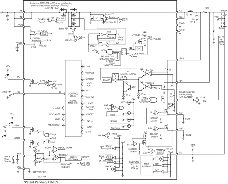
BQ24120RHLT 电路图