BQ24108RHLR 供应商
-
BQ24108RHLR
品牌:TI 封装/批号:QFN20/23+ -
BQ24108RHLR
品牌:TI/德州仪器 封装/批号:21+/QFN20 -
BQ24108RHLR
品牌:TI 封装/批号:QFN20/22+授权代理 -
BQ24108RHLR
品牌:TI/德州仪器 封装/批号:QFN20/07+ -
BQ24108RHLR
品牌:TI 封装/批号:原厂原装/2318+
BQ24108RHLR 属性参数
- 产品培训模块:Power Management for Energy Harvesting
- 标准包装:1
- 类别:集成电路 (IC)
- 家庭:PMIC - 电池管理
- 系列:bqSWITCHER™
- 功能:充电管理
- 电池化学:锂离子(Li-Ion)、锂聚合物(Li-Pol)
- 电源电压:4.35 V ~ 16 V
- 工作温度:-40°C ~ 85°C
- 安装类型:表面贴装
- 封装/外壳:20-VFQFN 裸露焊盘
- 供应商设备封装:20-QFN-EP(4.50x3.50)
- 包装:®
- 其它名称:296-17398-6
产品特性
- Ideal For Highly Efficient Charger Designs For Single-, Two-, or Three-Cell Li-Ion and Li-Polymer Battery Packs
- bq24105 Also for LiFePO4 Battery (see Using bq24105 to Charge the LiFePO4 Battery)
- Integrated Synchronous Fixed-Frequency PWM Controller Operating at 1.1 MHz With 0% to 100% Duty Cycle
- Integrated Power FETs for Up To 2-A Charge Rate
- High-Accuracy Voltage and Current Regulation
- Available in Both Stand-Alone (Built-In Charge Management and Control) and System-Controlled (Under System Command) Versions
- Status Outputs for LED or Host Processor Interface Indicates Charge-In-Progress, Charge Completion, Fault, and AC-Adapter Present Conditions
- 20-V Maximum Voltage Rating on IN and OUT Pins
- High-Side Battery Current Sensing
- Battery Temperature Monitoring
- Automatic Sleep Mode for Low Power Consumption
- System-Controlled Version Can Be Used in NiMH and NiCd Applications
- Reverse Leakage Protection Prevents Battery Drainage
- Thermal Shutdown and Protection
- Built-In Battery Detection
- Available in 20-Pin, 3.50 mm × 4.50 mm VQFN Package
- APPLICATIONS Handheld Products Portable Media Players Industrial and Medical Equipment Portable Equipment
- Handheld Products
- Portable Media Players
- Industrial and Medical Equipment
- Portable Equipment
产品概述
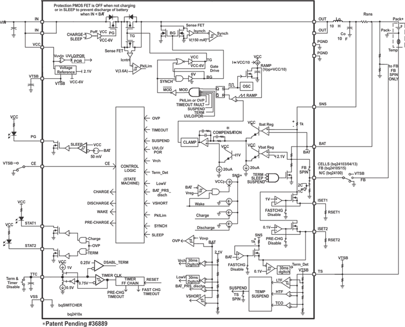
The bqSWITCHER™ series are highly integrated Li-ion and
Li-polymer switch-mode charge management devices targeted at a wide range of portable applications.
The bqSWITCHER™ series offers integrated synchronous PWM controller and power FETs, high-accuracy
current and voltage regulation, charge preconditioning, charge status, and charge termination, in a
small, thermally enhanced VQFN package. The system-controlled version provides additional inputs
for full charge management under system control.The bqSWITCHER™ charges the battery in three phases: conditioning, constant current, and
constant voltage. Charge is terminated based on user- selectable minimum current level. A
programmable charge timer provides a safety backup for charge termination. The bqSWITCHER™
automatically restarts the charge cycle if the battery voltage falls below an internal threshold.
The bqSWITCHER™ automatically enters sleep mode when VCC supply is
removed.
BQ24108RHLR 数据手册
BQ24108RHLR 电路图