IC元器件
首页
搜索
会员中心
退出
ASCX30DN
压力
厂商
参数
相关
ASCX30DN
供应商
ASCX30DN
济南越新电子科技有限公司
品牌:
HONEYWELL
封装/批号:
传感器
/
NEW
ASCX30DN
属性参数
标准包装:
25
类别:
传感器,转换器
家庭:
压力
系列:
ASCX
压力类型:
差分
工作压力:
0 ~ 30 PSI
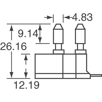
端口尺寸:
公型,0.08"(2mm)双管
输出:
4.75V
精确度:
-
电源电压:
4.5 V ~ 16 V
端接类型:
PCB
工作温度:
-25°C ~ 105°C
封装/外壳:
6-SIP
出厂设置:
-
其它名称:
287-1011
ASCX30DN
相关产品
1210A-001D-3L
13C5000PA4K
142PC01D
142PC01G
142PC05D
142PC15A
142PC15D
142PC30D